Radiator & Components for 1997 Toyota Corolla
No.
Part # / Description / Price
Price
1
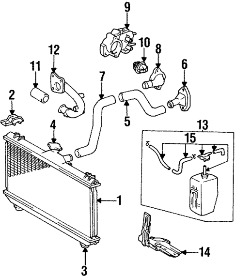
Radiator Assembly
Toyota
Toyota Notes: PARTS: Order by description.
Description: Auto trans, us built, 1.6L.
1
Radiator Assembly
Toyota
Toyota Notes: PARTS: Order by description.
Description: Corolla. Auto trans. 3-speed. Sedan, wagon.
1
Radiator Assembly
Toyota
Toyota Notes: PARTS: Order by description.
Description: Manual trans, harrison. Corolla. Auto trans. 4-speed. Sedan, wagon. Auto trans. 3-speed.
1
Radiator Assembly
Toyota
Toyota Notes: PARTS: Order by description.
Description: Corolla. Sedan, wagon. Manual trans. All.
2
MSRP $58.04
$41.87
3
Radiator (Lower)
Toyota
Toyota Positions: Right
Notes: PARTS: Order by description.
Description: Fits Celica, CorollaRadiator - Repair or ReplaceTypical symptoms for a failed radiator include both an overheating Engine and a Coolant leak. But some radiator failures can also result in burned or Dark Transmission fluid. If the Cooling system in your Toyota needs attention, contact a factory-trained Toyota technician.
2.2L. 1.8L. Without turbo 4wd. Japan built, manual trans. Us built, nd, manual trans.
MSRP $21.44
$16.11
MSRP $21.44
$16.11
3
Radiator Assembly Lower Bracket
Toyota
Toyota Positions: Right
Notes: PARTS: Order by description.
Description: Japan built, 4wd. Japan built, auto trans.
6
Engine Coolant Outlet Flange
Toyota
Toyota Description: Japan built. Usa built, without efi, manual trans. 1.8L.
MSRP $23.93
$17.99
MSRP $23.93
$17.99
8
Thermostat Housing
Toyota
Toyota Description: Celica. St. Corolla. Coupe. Without gts. 1.8L. Without turbo.
MSRP $58.04
$41.87
MSRP $58.04
$41.87
11
MSRP $18.78
$14.11
13
MSRP $105.94
$72.61
No.
Part # / Description / Price
Price
N/A
Fan Relay
Toyota
Toyota Description: Fan. Camry. Passenger compartment, hatch junction. Corolla. Sequoia. Inhibit relay. Celica. Tercel. Paseo.
MSRP $47.51
$35.70
MSRP $47.51
$35.70
N/A
Fan Switch
Toyota
Toyota Description: Tercel. Corolla. 2wd. Celica. St. Paseo. To 08/99. Without turbo. 1.6L, aishen.
MSRP $174.13
$119.35
MSRP $174.13
$119.35
1
Radiator Assembly
Toyota
Toyota Description: Manual trans, harrison. Corolla. Auto trans. 4-speed. Sedan, wagon. Auto trans. 3-speed.
1
2
MSRP $36.25
$27.24
6
Thermostat Housing
Toyota
Toyota Description: Celica. St. Corolla. Coupe. Without gts. 1.8L. Without turbo.
MSRP $58.04
$41.87
MSRP $58.04
$41.87
7
MSRP $99.48
$68.18
8
MSRP $95.46
$65.42
Related Parts
Part # / Description / Price
Price
MSRP $1.64
$1.24
Radiator
Toyota
Toyota Description: Japan Built. Vendor:TOYO. Corolla. Manual trans. 1.6l. Sedan, wagon. 2wd.
MSRP $459.76
$315.10
MSRP $459.76
$315.10
Engine Coolant Temperature Sensor O-Ring
Toyota
Toyota Description: Location-Water Outlet. Location-Engine. 1.8L hybrid, reservoir & hoses. From 06/2017.
MSRP $3.31
$2.49
MSRP $3.31
$2.49
