Cylinder Block for 2015 Dodge Durango
No.
Part # / Description / Price
Price
1
SHORT BLOCK - ENGINE 68225979AA 1
Mopar
Mopar Notes: Engines: 3.6L V6 24V VVT Engine.
Description: Genuine OEM Mopar parts - SHORT BLOCK - ENGINE | Mopar 68225979AA
1
Long Block Engine 1
Mopar
Mopar Notes: Engines: 3.6L V6 24V VVT Engine.
Description: IMPORTANT NOTE***When A Long Block Engine Is Replaced New Or Remanufactured The Fasteners For The Transmission Bracket To Transmission Case MUST Be Replaced For The Orginal Fasteners Are A One Time Use Only. Order Fastener Kit PN 68329056AA. See important note for contents. OE Equivalent Supporting Sustainera.
MSRP $7,410.00
$6,110.50
MSRP $7,410.00
$6,110.50
2
Dowel, Mounting
Mopar
Mopar Notes: Engines: 3.6L V6 24V VVT Engine.
Description: Mounting, Transmission To Cylinder Block. Transmission To Engine. Transmisasion To Cylinder Block.
MSRP $24.80
$15.84
MSRP $24.80
$15.84
3
Pipe Plug
Mopar
Mopar Notes: Engines: 3.6L V6 24V VVT Engine.
Description: M24x1.50. All Plugs And Dowel Pins Must Be Installed On Cylinder Block Before Installing Engine.. Coolant Drain. Main Oil Gallery. Oil Control Valve. Item 13 Also Contained in Short Block Engine Kit. Coolant Passage. Oil Gallery Side Of Cylinder Block.
MSRP $46.25
$30.00
MSRP $46.25
$30.00
4
- DOWEL PIN 05240849
Mopar
Mopar Notes: Engines: 3.6L V6 24V VVT Engine. 5.7L V8 HEMI MDS VVT Engine.
Description: Genuine OEM Mopar parts - - DOWEL PIN | Mopar 05240849
Not For Sale
Not For Sale
6
CRANKSHAFT REAR OIL - COVER 68223854AA
Mopar
Mopar Notes: Engines: 3.6L V6 24V VVT Engine.
Description: Genuine OEM Mopar parts - CRANKSHAFT REAR OIL - COVER | Mopar 68223854AA
MSRP $149.00
$96.31
MSRP $149.00
$96.31
8
Hex Head Bolt And Coned Washer, Mounting, Lower
Mopar
Mopar Notes: Engines: 3.6L V6 24V VVT Engine.
MSRP $41.60
$26.88
MSRP $41.60
$26.88
9
Hex Head Bolt, Mounting
Mopar
Mopar Notes: Engines: 3.6L V6 24V VVT Engine.
Description: Mounting, Main Bearing Crossbar To Cylinder Block. Pump Bracket To Engine. M8x1.25x40.00. Tensioner Bracket To Cylinder Head. Main Bearing Cap Cross Bar To Cylinder Block.
MSRP $3.45
$2.20
MSRP $3.45
$2.20
10
Hex Head Bolt, Mounting
Mopar
Mopar Notes: Engines: 3.6L V6 24V VVT Engine.
Description: M8x1.25x58.00. Main Bearing Cross To Cylinder Block.
MSRP $3.45
$2.20
MSRP $3.45
$2.20
11
DOWEL - PIN 06100997
Mopar
Mopar Notes: Engines: 3.6L V6 24V VVT Engine.
Description: Genuine OEM Mopar parts - DOWEL - PIN | Mopar 06100997
MSRP $32.00
$20.40
MSRP $32.00
$20.40
12
Pin, Mounting
Mopar
Mopar Notes: Engines: 3.6L V6 24V VVT Engine.
Description: Timing Chain Tensioner Arm To Cylinder Block. All Plugs And Dowel Pins Must Be Installed On Cylinder Block Before Installing Engine.. Item 13 Also Contained in Short Block Engine Kit. Panel Attaching Pins. Timing Chain Drive. Timing Chain Guide.
MSRP $10.30
$6.60
MSRP $10.30
$6.60
13
SHORT BLOCK ENGINE - PIN KIT 68146903AB
Mopar
Mopar Notes: Engines: 3.6L V6 24V VVT Engine.
Description: Genuine OEM Mopar parts - SHORT BLOCK ENGINE - PIN KIT | Mopar 68146903AB
MSRP $21.60
$14.08
MSRP $21.60
$14.08
14
Pan Head Bolt, Mounting
Mopar
Mopar Notes: Engines: 3.6L V6 24V VVT Engine.
Description: Front Splash Shield To Oil Pump. M5x.08x16.00. Piston Oil Cooler Jet. Door Handle to Door M5x16.
MSRP $8.75
$5.67
MSRP $8.75
$5.67
15
Piston Oil Cooler Jet
Mopar
Mopar Notes: Engines: 3.6L V6 24V VVT Engine.
Description: PISTON OIL COOLER
MSRP $15.05
$9.85
MSRP $15.05
$9.85
16
Hex Flange Head Bolt, Mounting, Inboard
Mopar
Mopar Notes: Engines: 3.6L V6 24V VVT Engine.
Description: Inner Main Bearing Cap To Cylinder Block. Inboard Main Bearing Cap To Cylinder Block. M11x1.50x94.00.
MSRP $26.80
$17.16
MSRP $26.80
$17.16
18
Hex Flange Head Bolt, Mounting, Outboard
Mopar
Mopar Notes: Engines: 3.6L V6 24V VVT Engine.
Description: M8x1.25x97.00. Main Bearing Cap To Cylinder block.
MSRP $39.20
$25.12
MSRP $39.20
$25.12
19
Core Plug, Cylinder Head Plug
Mopar
Mopar Notes: Engines: 3.6L V6 24V VVT Engine. 5.7L V8 HEMI MDS VVT Engine.
Description: Water Jacket Core. Two [2] Per Cylinder Head. Coolant Front And Rear Of Cylinder Head. Back Of Lower Intake Manifold. Mega Cab. Oil Gallery. [1.25 Diameter]. 1 1/4.
MSRP $84.60
$54.12
MSRP $84.60
$54.12
1 This price excludes a refundable manufacturer's core charge. Add the part to your cart to see the core charge.
No.
Part # / Description / Price
Price
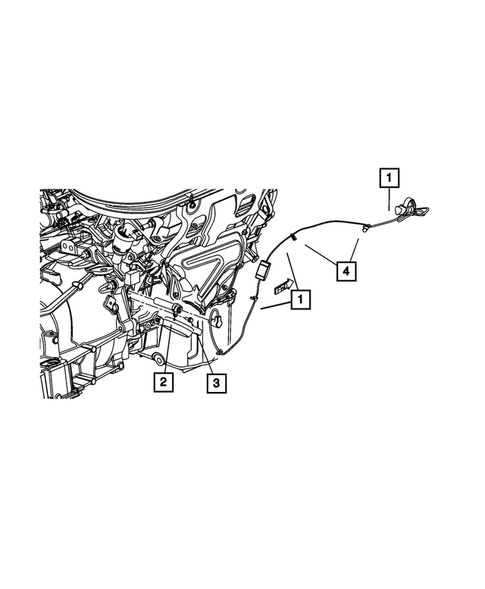
1
ENGINE BLOCK HEATER - CORD 68070033AA
Mopar
Mopar Notes: Engines: 3.6L V6 24V VVT Engine.
Description: Genuine OEM Mopar parts - ENGINE BLOCK HEATER - CORD | Mopar 68070033AA
MSRP $130.00
$84.65
MSRP $130.00
$84.65
2
Engine Block Heater
Mopar
Mopar Notes: Engines: 3.6L V6 24V VVT Engine.
Description: 2.7l. 3.5l.
MSRP $107.00
$69.52
MSRP $107.00
$69.52
3
HEX HEAD - BOLT 06501957
Mopar
Mopar Notes: Engines: 3.6L V6 24V VVT Engine. 5.7L V8 HEMI MDS VVT Engine.
Description: Genuine OEM Mopar parts - HEX HEAD - BOLT | Mopar 06501957
MSRP $37.20
$23.76
MSRP $37.20
$23.76

